安全第一 让生活更美好!2026年安全人的安全PPT清单,化繁为简 让安全管理不在难!推动关口前移,立足预防在先!2026年提前布局!
更多精品课件资料咨询可加小安:13522940595(收米)快乐春节!安全为本!一个欢乐、祥和、文明的春节,离不开安全的保障!
春节是我国人民的传统节日。俗话说: “有钱没钱回家过年。”如何过一个欢乐、祥和、文明的春节,是我们关注的焦点对于企事业单位来说,春节期间,人员流动性大,节前回家心切,心理躁动容易滋生各种安全隐患,因此,做好节前安全教育是必不可少的安全举措!
小安整理近50篇2026年春节节前安全PPT及文档!供大家参考借鉴!减少您大费周折找资料的时间!
时刻绷紧安全弦 严守岁末安全关!2026年春节节前安全教育及安全检查第一课
目 录
停工报告
2026年春节放假期间值班安排表
2026年春节节安全检查分组安排
2026年春节节安全检查
节假日前安全检查表一
节假日前安全检查表二
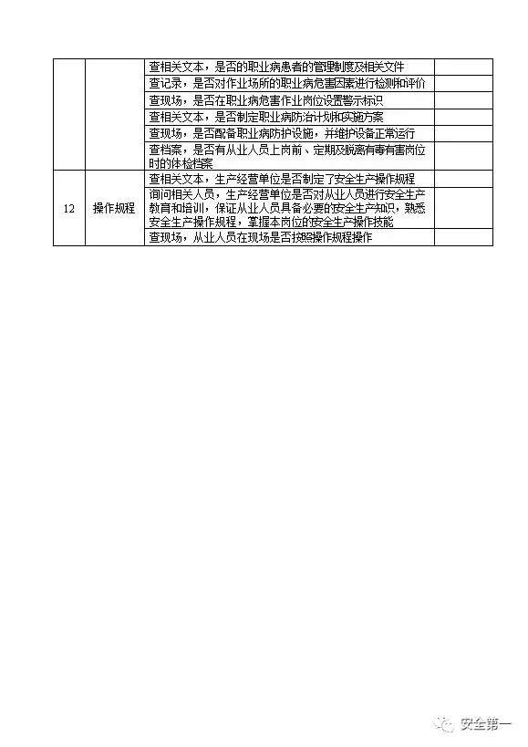
节假日前安全检查表三
节假日前安全检查表四
节假日前安全检查表五
节假日前安全检查表六
节假日前安全检查表七
节假日前安全检查表八
节假日前安全检查表九
节假日前安全检查表十
节假日前安全检查表十一
节假日前安全检查表十二
停工报告
停工报告
我公司根据春节假期安排及自身生产需要,拟于2026年2月15日开始停工放假,根据《企业安全生产标准化管理办法》和国家有关法律、法规规定和规范等有关要求,2025年1月23日由公司安环部门牵头,做好了公司级停产前的自查工作,检查情况(见附件),公司生产车间于2026年2月24日复工上班,在春节节放假期间严格落实公司内部值班安排,若上级相关单位在春节节假日期间有相关工作需要我公司配合,请致电公司值班主任XXX联系。经我公司安排后与各相关单位进行对接工作。
附:公司值班表
春节值班安全培训
XX科技有限公司
2026年2月12日
隐患排查完整版解决方案共计30套文档资料+PPT 可保存修改编辑!2026年节前安全教育培训 安全检查 隐患排查 检查表 50套完整版解决方案明细表!可下载 修改编辑
隐患排查完整版解决方案共计30套文档资料+PPT 可保存修改编辑!全员安全生产责任制共计19套完整版资料 安全责任制、岗位、落实细则

安全第一,让生活更美好!全民安全,我们每一个都是行动者!更多精品课件资料咨询可加小安:13522940595(收米)更多2026年安全系列详情内容可直接扫描下面二维码添加微信咨询