











电气二次设备与回路的基本概念
二次设备:对一次设备进行监视、测量、控制、调节、保护以及为运行、维护人员提供运行工况或生产指挥信号所需的电气设备。
二次回路:电气二次设备按一定顺序或要求相互连接构成的电气回路。
按二次设备各种不同的用途可分为:继电保护二次回路、自动装置二次回路、控制系统二次回路、测量仪表二次回路、信号装置二次回路等。
电气二次接线图
表明电气二次设备相互连接关系的电路图称为二次接线图。
常用的有原理接线图、展开接线图和安装接线图。
二次接线图中的国标图形、文字符号和回路编号规定
原理接线图
以元件的整体形式表示二次设备间的电气联系,并将与其有关的电流、电压回路和直流回路,以及一次接线有关的部分综合在一起。




集中式原理图的优、缺点
集中式原理图的优点是:整体观念清楚明确,表示和叙述电气联系和动作原理方便。常用于继电保护和自动装置的原理分析和二次回路的初步设计。
集中式原理图的缺点是:元件和连线较多时,线条相互交叉,显得凌乱;同时,标记不全,有些细节在图上没有表示出来,因而不能用于施工、安装和运行。
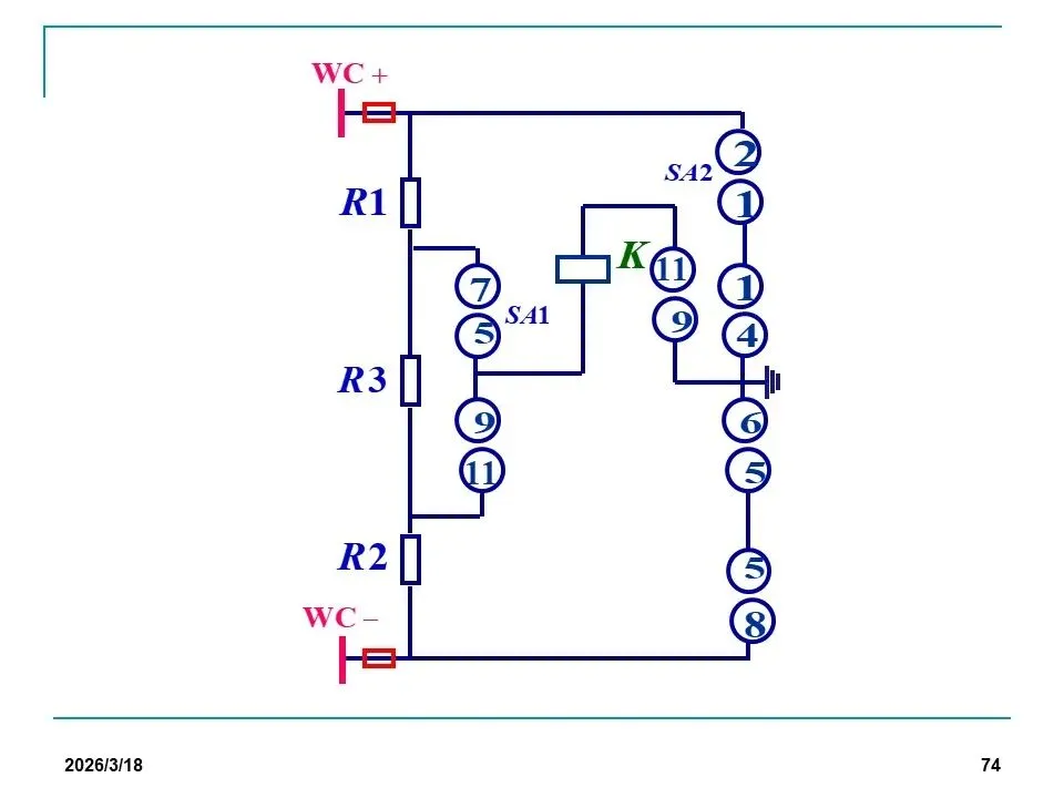
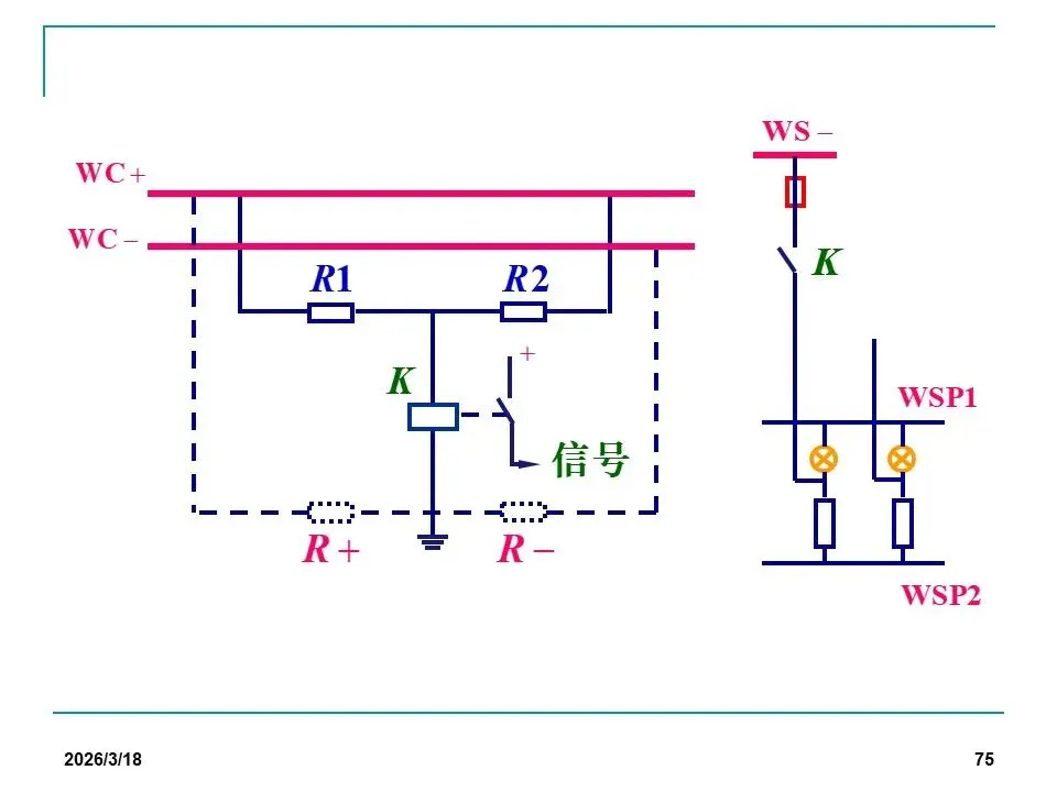
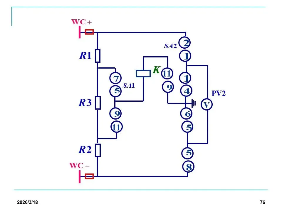
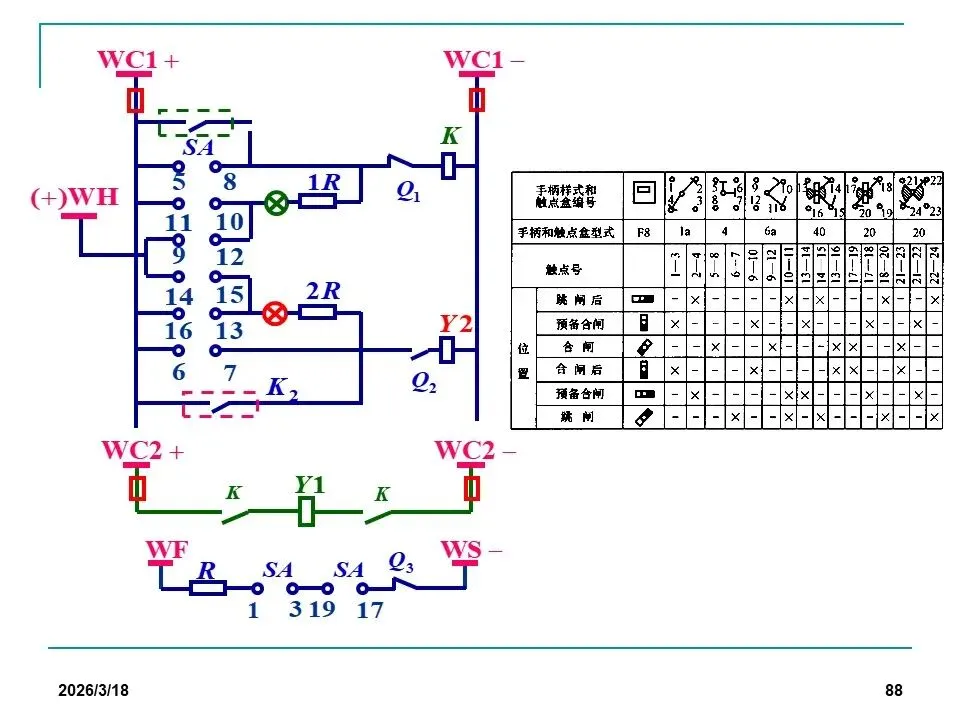
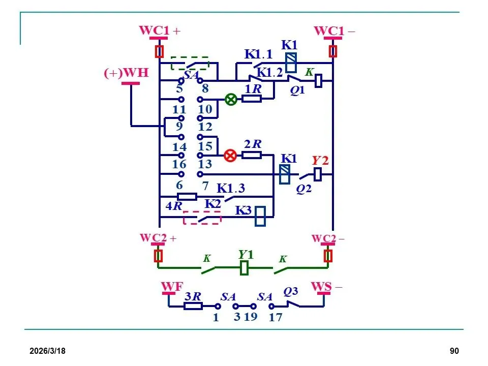
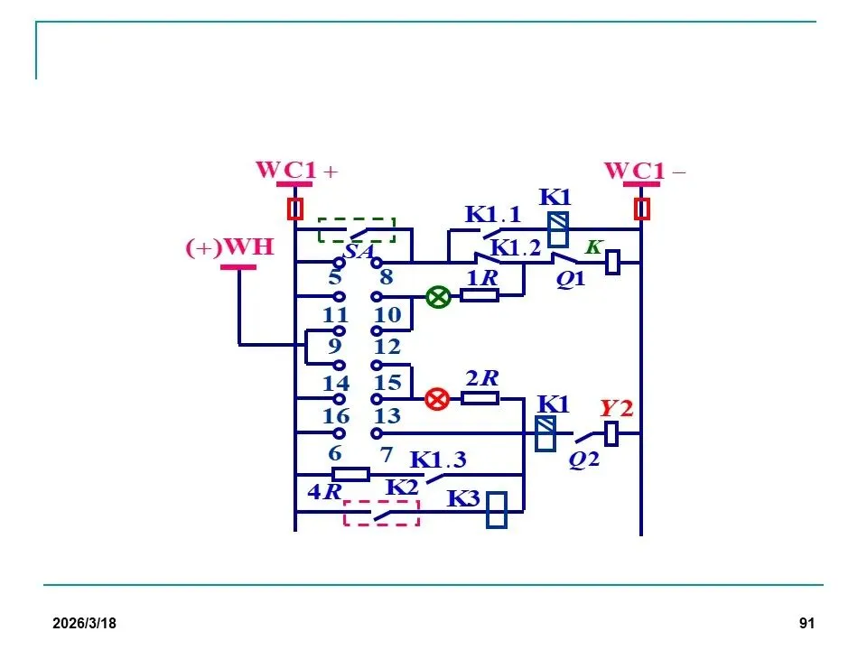
展开接线图
按供电给二次接线的每个独立电源来划分,将属于同一仪表、继电器等的电流、电压线圈和触点分别画在不同的回路里。
展开接线图绘制按交流电流回路、交流电压回路、直流操作回路和信号回路等顺序从上到下、从左到右排列。















1.直流系统的电源
直流系统应向控制负荷和动力负荷提供可靠、稳定的电源。
控制负荷包括控制、信号、保护和自动装置。动力负荷主要为直流电动机和事故照明负荷等。
蓄电池的电压等级有:
控制负荷专用蓄电池,其电压为110V。
动力负荷专用蓄电池,其电压为220V。
动力负荷和控制负荷共享蓄电池组时,其电压可为220V或110V。
当变电所采用弱电控制方式时,蓄电池组电压为48V。
2.交流不停电电源(UPS)用的备用电源
作为UPS的备用电源可有两种方式,一种为与直流系统共享蓄电池,由直流母线引接电缆至UPS装置,大型发电厂和区域变电所直流系统的UPS容量较大,多采用此方式,此时发电厂和变电所直流系统的蓄电池要考虑UPS装置的负荷;另一种为UPS专用蓄电池,小容量的UPS常采用此方式,蓄电池一般由UPS配套提供。
3.通信用直流系统的电源
发电厂的系统通信或厂内通信,为保证通信设备不间断供电,必须装设可靠的通信直流电源系统。通信电源可设置专用蓄电池或由交流不停电电源(UPS)供电。蓄电池作电源时,组数可为1组或2组(当为2组蓄电池供电时,每组容量为总容量的50%),蓄电池容量一般按1~3h计算。
通信用直流系统电压一般为48V。






































































推荐(点下面蓝字阅读)
TT、IT、TN-C、TN-S、TN-C-S低压接地系统全面解析.ppt
↙️戳“阅读原文”,平台“所有课件”已上传到这里