文档资源
PPT
Excel
Word
当前位置:
首页
>
PPT
>综合布线入门技术培训ppt
综合布线入门技术培训ppt
2026-04-07 19:37:26
综合布线入门技术培训ppt
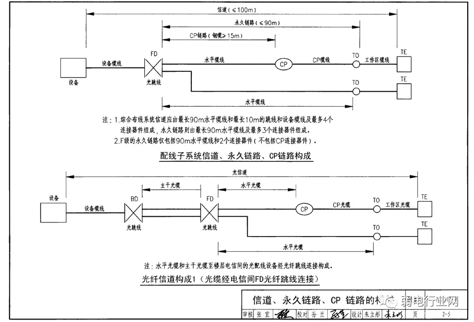
综合布线是弱电项目中最基础的系统,也是最重要的系统之一。
不少施工过程不是很楚,主要集中在两个问题:
1、综合布线项目如何做?
2、有哪些流程?
本期我们通过一个培训ppt来详细总结下。
该综合布线ppt可以进入我们的“
知识星球
”中下载,点击扫码进入就可以进入下载,资料每日更新。
本文来自网友投稿或网络内容,如有侵犯您的权益请联系我们删除,联系邮箱:wyl860211@qq.com 。
报奖答辩PPT定制|结构清晰简约大气(PPT源文件免费分享)
不起眼的PPT三角形,其实是排版神器!
最新文章
报奖答辩PPT定制|结构清晰简约大气(PPT源文件免费分享)
集点迷津 | 第5期——PPT制作分享会
二十九、SEQUENCE 函数封神!Excel 一键生成任意数字序列!!!
PPT模板下载|绿色简约竞聘述职报告PPT模板
豆包做PPT绝了!一键生成、自动套模板、生成演讲稿,办公效率翻10倍!
业务学习PPT | 肋骨骨折患者的护理
4月破局行动·爆款推荐:AI·PPT实战变现营(直接派单)
PPT中长方形的图片,怎么排更有质感?
Excel常用的10个函数
秒变Excel大神!数据透视表3分钟上手,拖拖拽拽玩转大数据,新手防懵指南
热门文章
财务会计必会的15个Excel函数太有用了
PPT 循环逻辑图制作秘籍,小白秒变大神
2026企业AI大考:别秀PPT,亮出你的「用虾」真功夫
EXCEL:根据日期确定年龄
PPT笔记本文本框让汇报排版秒变高级专业~
【PPT技巧】如何在PPT中插入图表 并编辑图表数据
被导师认可的开题答辩PPT长这样!
PPT四项并列逻辑图用这种文本框简洁好看!
还在手动统计数据?5分钟学会Excel数据透视表,效率提升10倍!
妇科疾病ppt(38页)
随机文章
10个月宝宝每天需要喝多少奶粉?
毕业答辩PPT制作全攻略:从模板到演讲,一篇搞定!
如何一键破解excel工作表保护
【PPT】2026年《职业病防治法》宣传周之职业病危害及防治专题课件(25页)
Excel中绘制多系列折线图重叠在一起看不清了,如何解决?
【PPT】2026政府工作报告“民生清单”(27页)
PPT|RTO与TNV燃烧技术对比
PPT+讲稿:有效排痰护理【医护PPT课件】
【PPT】关于全国两会,你了解多少?一组知识贴一起学习(16页)
【PPT】实验室内化学试剂的安全保存及使用方法 课件
【PPT】《中华人民共和国民族团结进步促进法》(30页)
基本
文件
流程
错误
SQL
调试
请求信息 : 2026-04-07 23:58:07 HTTP/2.0 GET : https://h.sjds.net/a/496631.html
运行时间 : 0.150653s [ 吞吐率:6.64req/s ] 内存消耗:4,354.23kb 文件加载:140
缓存信息 : 0 reads,0 writes
会话信息 : SESSION_ID=43b9f595c9a1cce741fd7bac2fb17f5e
/yingpanguazai/ssd/ssd1/www/h.sjds.net/public/index.php ( 0.79 KB )
/yingpanguazai/ssd/ssd1/www/h.sjds.net/vendor/autoload.php ( 0.17 KB )
/yingpanguazai/ssd/ssd1/www/h.sjds.net/vendor/composer/autoload_real.php ( 2.49 KB )
/yingpanguazai/ssd/ssd1/www/h.sjds.net/vendor/composer/platform_check.php ( 0.90 KB )
/yingpanguazai/ssd/ssd1/www/h.sjds.net/vendor/composer/ClassLoader.php ( 14.03 KB )
/yingpanguazai/ssd/ssd1/www/h.sjds.net/vendor/composer/autoload_static.php ( 4.90 KB )
/yingpanguazai/ssd/ssd1/www/h.sjds.net/vendor/topthink/think-helper/src/helper.php ( 8.34 KB )
/yingpanguazai/ssd/ssd1/www/h.sjds.net/vendor/topthink/think-validate/src/helper.php ( 2.19 KB )
/yingpanguazai/ssd/ssd1/www/h.sjds.net/vendor/topthink/think-orm/src/helper.php ( 1.47 KB )
/yingpanguazai/ssd/ssd1/www/h.sjds.net/vendor/topthink/think-orm/stubs/load_stubs.php ( 0.16 KB )
/yingpanguazai/ssd/ssd1/www/h.sjds.net/vendor/topthink/framework/src/think/Exception.php ( 1.69 KB )
/yingpanguazai/ssd/ssd1/www/h.sjds.net/vendor/topthink/think-container/src/Facade.php ( 2.71 KB )
/yingpanguazai/ssd/ssd1/www/h.sjds.net/vendor/symfony/deprecation-contracts/function.php ( 0.99 KB )
/yingpanguazai/ssd/ssd1/www/h.sjds.net/vendor/symfony/polyfill-mbstring/bootstrap.php ( 8.26 KB )
/yingpanguazai/ssd/ssd1/www/h.sjds.net/vendor/symfony/polyfill-mbstring/bootstrap80.php ( 9.78 KB )
/yingpanguazai/ssd/ssd1/www/h.sjds.net/vendor/symfony/var-dumper/Resources/functions/dump.php ( 1.49 KB )
/yingpanguazai/ssd/ssd1/www/h.sjds.net/vendor/topthink/think-dumper/src/helper.php ( 0.18 KB )
/yingpanguazai/ssd/ssd1/www/h.sjds.net/vendor/symfony/var-dumper/VarDumper.php ( 4.30 KB )
/yingpanguazai/ssd/ssd1/www/h.sjds.net/vendor/topthink/framework/src/think/App.php ( 15.30 KB )
/yingpanguazai/ssd/ssd1/www/h.sjds.net/vendor/topthink/think-container/src/Container.php ( 15.76 KB )
/yingpanguazai/ssd/ssd1/www/h.sjds.net/vendor/psr/container/src/ContainerInterface.php ( 1.02 KB )
/yingpanguazai/ssd/ssd1/www/h.sjds.net/app/provider.php ( 0.19 KB )
/yingpanguazai/ssd/ssd1/www/h.sjds.net/vendor/topthink/framework/src/think/Http.php ( 6.04 KB )
/yingpanguazai/ssd/ssd1/www/h.sjds.net/vendor/topthink/think-helper/src/helper/Str.php ( 7.29 KB )
/yingpanguazai/ssd/ssd1/www/h.sjds.net/vendor/topthink/framework/src/think/Env.php ( 4.68 KB )
/yingpanguazai/ssd/ssd1/www/h.sjds.net/app/common.php ( 0.03 KB )
/yingpanguazai/ssd/ssd1/www/h.sjds.net/vendor/topthink/framework/src/helper.php ( 18.78 KB )
/yingpanguazai/ssd/ssd1/www/h.sjds.net/vendor/topthink/framework/src/think/Config.php ( 5.54 KB )
/yingpanguazai/ssd/ssd1/www/h.sjds.net/config/app.php ( 0.95 KB )
/yingpanguazai/ssd/ssd1/www/h.sjds.net/config/cache.php ( 0.78 KB )
/yingpanguazai/ssd/ssd1/www/h.sjds.net/config/console.php ( 0.23 KB )
/yingpanguazai/ssd/ssd1/www/h.sjds.net/config/cookie.php ( 0.56 KB )
/yingpanguazai/ssd/ssd1/www/h.sjds.net/config/database.php ( 2.48 KB )
/yingpanguazai/ssd/ssd1/www/h.sjds.net/vendor/topthink/framework/src/think/facade/Env.php ( 1.67 KB )
/yingpanguazai/ssd/ssd1/www/h.sjds.net/config/filesystem.php ( 0.61 KB )
/yingpanguazai/ssd/ssd1/www/h.sjds.net/config/lang.php ( 0.91 KB )
/yingpanguazai/ssd/ssd1/www/h.sjds.net/config/log.php ( 1.35 KB )
/yingpanguazai/ssd/ssd1/www/h.sjds.net/config/middleware.php ( 0.19 KB )
/yingpanguazai/ssd/ssd1/www/h.sjds.net/config/route.php ( 1.89 KB )
/yingpanguazai/ssd/ssd1/www/h.sjds.net/config/session.php ( 0.57 KB )
/yingpanguazai/ssd/ssd1/www/h.sjds.net/config/trace.php ( 0.34 KB )
/yingpanguazai/ssd/ssd1/www/h.sjds.net/config/view.php ( 0.82 KB )
/yingpanguazai/ssd/ssd1/www/h.sjds.net/app/event.php ( 0.25 KB )
/yingpanguazai/ssd/ssd1/www/h.sjds.net/vendor/topthink/framework/src/think/Event.php ( 7.67 KB )
/yingpanguazai/ssd/ssd1/www/h.sjds.net/app/service.php ( 0.13 KB )
/yingpanguazai/ssd/ssd1/www/h.sjds.net/app/AppService.php ( 0.26 KB )
/yingpanguazai/ssd/ssd1/www/h.sjds.net/vendor/topthink/framework/src/think/Service.php ( 1.64 KB )
/yingpanguazai/ssd/ssd1/www/h.sjds.net/vendor/topthink/framework/src/think/Lang.php ( 7.35 KB )
/yingpanguazai/ssd/ssd1/www/h.sjds.net/vendor/topthink/framework/src/lang/zh-cn.php ( 13.70 KB )
/yingpanguazai/ssd/ssd1/www/h.sjds.net/vendor/topthink/framework/src/think/initializer/Error.php ( 3.31 KB )
/yingpanguazai/ssd/ssd1/www/h.sjds.net/vendor/topthink/framework/src/think/initializer/RegisterService.php ( 1.33 KB )
/yingpanguazai/ssd/ssd1/www/h.sjds.net/vendor/services.php ( 0.14 KB )
/yingpanguazai/ssd/ssd1/www/h.sjds.net/vendor/topthink/framework/src/think/service/PaginatorService.php ( 1.52 KB )
/yingpanguazai/ssd/ssd1/www/h.sjds.net/vendor/topthink/framework/src/think/service/ValidateService.php ( 0.99 KB )
/yingpanguazai/ssd/ssd1/www/h.sjds.net/vendor/topthink/framework/src/think/service/ModelService.php ( 2.04 KB )
/yingpanguazai/ssd/ssd1/www/h.sjds.net/vendor/topthink/think-trace/src/Service.php ( 0.77 KB )
/yingpanguazai/ssd/ssd1/www/h.sjds.net/vendor/topthink/framework/src/think/Middleware.php ( 6.72 KB )
/yingpanguazai/ssd/ssd1/www/h.sjds.net/vendor/topthink/framework/src/think/initializer/BootService.php ( 0.77 KB )
/yingpanguazai/ssd/ssd1/www/h.sjds.net/vendor/topthink/think-orm/src/Paginator.php ( 11.86 KB )
/yingpanguazai/ssd/ssd1/www/h.sjds.net/vendor/topthink/think-validate/src/Validate.php ( 63.20 KB )
/yingpanguazai/ssd/ssd1/www/h.sjds.net/vendor/topthink/think-orm/src/Model.php ( 23.55 KB )
/yingpanguazai/ssd/ssd1/www/h.sjds.net/vendor/topthink/think-orm/src/model/concern/Attribute.php ( 21.05 KB )
/yingpanguazai/ssd/ssd1/www/h.sjds.net/vendor/topthink/think-orm/src/model/concern/AutoWriteData.php ( 4.21 KB )
/yingpanguazai/ssd/ssd1/www/h.sjds.net/vendor/topthink/think-orm/src/model/concern/Conversion.php ( 6.44 KB )
/yingpanguazai/ssd/ssd1/www/h.sjds.net/vendor/topthink/think-orm/src/model/concern/DbConnect.php ( 5.16 KB )
/yingpanguazai/ssd/ssd1/www/h.sjds.net/vendor/topthink/think-orm/src/model/concern/ModelEvent.php ( 2.33 KB )
/yingpanguazai/ssd/ssd1/www/h.sjds.net/vendor/topthink/think-orm/src/model/concern/RelationShip.php ( 28.29 KB )
/yingpanguazai/ssd/ssd1/www/h.sjds.net/vendor/topthink/think-helper/src/contract/Arrayable.php ( 0.09 KB )
/yingpanguazai/ssd/ssd1/www/h.sjds.net/vendor/topthink/think-helper/src/contract/Jsonable.php ( 0.13 KB )
/yingpanguazai/ssd/ssd1/www/h.sjds.net/vendor/topthink/think-orm/src/model/contract/Modelable.php ( 0.09 KB )
/yingpanguazai/ssd/ssd1/www/h.sjds.net/vendor/topthink/framework/src/think/Db.php ( 2.88 KB )
/yingpanguazai/ssd/ssd1/www/h.sjds.net/vendor/topthink/think-orm/src/DbManager.php ( 8.52 KB )
/yingpanguazai/ssd/ssd1/www/h.sjds.net/vendor/topthink/framework/src/think/Log.php ( 6.28 KB )
/yingpanguazai/ssd/ssd1/www/h.sjds.net/vendor/topthink/framework/src/think/Manager.php ( 3.92 KB )
/yingpanguazai/ssd/ssd1/www/h.sjds.net/vendor/psr/log/src/LoggerTrait.php ( 2.69 KB )
/yingpanguazai/ssd/ssd1/www/h.sjds.net/vendor/psr/log/src/LoggerInterface.php ( 2.71 KB )
/yingpanguazai/ssd/ssd1/www/h.sjds.net/vendor/topthink/framework/src/think/Cache.php ( 4.92 KB )
/yingpanguazai/ssd/ssd1/www/h.sjds.net/vendor/psr/simple-cache/src/CacheInterface.php ( 4.71 KB )
/yingpanguazai/ssd/ssd1/www/h.sjds.net/vendor/topthink/think-helper/src/helper/Arr.php ( 16.63 KB )
/yingpanguazai/ssd/ssd1/www/h.sjds.net/vendor/topthink/framework/src/think/cache/driver/File.php ( 7.84 KB )
/yingpanguazai/ssd/ssd1/www/h.sjds.net/vendor/topthink/framework/src/think/cache/Driver.php ( 9.03 KB )
/yingpanguazai/ssd/ssd1/www/h.sjds.net/vendor/topthink/framework/src/think/contract/CacheHandlerInterface.php ( 1.99 KB )
/yingpanguazai/ssd/ssd1/www/h.sjds.net/app/Request.php ( 0.09 KB )
/yingpanguazai/ssd/ssd1/www/h.sjds.net/vendor/topthink/framework/src/think/Request.php ( 55.78 KB )
/yingpanguazai/ssd/ssd1/www/h.sjds.net/app/middleware.php ( 0.25 KB )
/yingpanguazai/ssd/ssd1/www/h.sjds.net/vendor/topthink/framework/src/think/Pipeline.php ( 2.61 KB )
/yingpanguazai/ssd/ssd1/www/h.sjds.net/vendor/topthink/think-trace/src/TraceDebug.php ( 3.40 KB )
/yingpanguazai/ssd/ssd1/www/h.sjds.net/vendor/topthink/framework/src/think/middleware/SessionInit.php ( 1.94 KB )
/yingpanguazai/ssd/ssd1/www/h.sjds.net/vendor/topthink/framework/src/think/Session.php ( 1.80 KB )
/yingpanguazai/ssd/ssd1/www/h.sjds.net/vendor/topthink/framework/src/think/session/driver/File.php ( 6.27 KB )
/yingpanguazai/ssd/ssd1/www/h.sjds.net/vendor/topthink/framework/src/think/contract/SessionHandlerInterface.php ( 0.87 KB )
/yingpanguazai/ssd/ssd1/www/h.sjds.net/vendor/topthink/framework/src/think/session/Store.php ( 7.12 KB )
/yingpanguazai/ssd/ssd1/www/h.sjds.net/vendor/topthink/framework/src/think/Route.php ( 23.73 KB )
/yingpanguazai/ssd/ssd1/www/h.sjds.net/vendor/topthink/framework/src/think/route/RuleName.php ( 5.75 KB )
/yingpanguazai/ssd/ssd1/www/h.sjds.net/vendor/topthink/framework/src/think/route/Domain.php ( 2.53 KB )
/yingpanguazai/ssd/ssd1/www/h.sjds.net/vendor/topthink/framework/src/think/route/RuleGroup.php ( 22.43 KB )
/yingpanguazai/ssd/ssd1/www/h.sjds.net/vendor/topthink/framework/src/think/route/Rule.php ( 26.95 KB )
/yingpanguazai/ssd/ssd1/www/h.sjds.net/vendor/topthink/framework/src/think/route/RuleItem.php ( 9.78 KB )
/yingpanguazai/ssd/ssd1/www/h.sjds.net/route/app.php ( 1.72 KB )
/yingpanguazai/ssd/ssd1/www/h.sjds.net/vendor/topthink/framework/src/think/facade/Route.php ( 4.70 KB )
/yingpanguazai/ssd/ssd1/www/h.sjds.net/vendor/topthink/framework/src/think/route/dispatch/Controller.php ( 4.74 KB )
/yingpanguazai/ssd/ssd1/www/h.sjds.net/vendor/topthink/framework/src/think/route/Dispatch.php ( 10.44 KB )
/yingpanguazai/ssd/ssd1/www/h.sjds.net/app/controller/Index.php ( 4.81 KB )
/yingpanguazai/ssd/ssd1/www/h.sjds.net/app/BaseController.php ( 2.05 KB )
/yingpanguazai/ssd/ssd1/www/h.sjds.net/vendor/topthink/think-orm/src/facade/Db.php ( 0.93 KB )
/yingpanguazai/ssd/ssd1/www/h.sjds.net/vendor/topthink/think-orm/src/db/connector/Mysql.php ( 5.44 KB )
/yingpanguazai/ssd/ssd1/www/h.sjds.net/vendor/topthink/think-orm/src/db/PDOConnection.php ( 52.47 KB )
/yingpanguazai/ssd/ssd1/www/h.sjds.net/vendor/topthink/think-orm/src/db/Connection.php ( 8.39 KB )
/yingpanguazai/ssd/ssd1/www/h.sjds.net/vendor/topthink/think-orm/src/db/ConnectionInterface.php ( 4.57 KB )
/yingpanguazai/ssd/ssd1/www/h.sjds.net/vendor/topthink/think-orm/src/db/builder/Mysql.php ( 16.58 KB )
/yingpanguazai/ssd/ssd1/www/h.sjds.net/vendor/topthink/think-orm/src/db/Builder.php ( 24.06 KB )
/yingpanguazai/ssd/ssd1/www/h.sjds.net/vendor/topthink/think-orm/src/db/BaseBuilder.php ( 27.50 KB )
/yingpanguazai/ssd/ssd1/www/h.sjds.net/vendor/topthink/think-orm/src/db/Query.php ( 15.71 KB )
/yingpanguazai/ssd/ssd1/www/h.sjds.net/vendor/topthink/think-orm/src/db/BaseQuery.php ( 45.13 KB )
/yingpanguazai/ssd/ssd1/www/h.sjds.net/vendor/topthink/think-orm/src/db/concern/TimeFieldQuery.php ( 7.43 KB )
/yingpanguazai/ssd/ssd1/www/h.sjds.net/vendor/topthink/think-orm/src/db/concern/AggregateQuery.php ( 3.26 KB )
/yingpanguazai/ssd/ssd1/www/h.sjds.net/vendor/topthink/think-orm/src/db/concern/ModelRelationQuery.php ( 20.07 KB )
/yingpanguazai/ssd/ssd1/www/h.sjds.net/vendor/topthink/think-orm/src/db/concern/ParamsBind.php ( 3.66 KB )
/yingpanguazai/ssd/ssd1/www/h.sjds.net/vendor/topthink/think-orm/src/db/concern/ResultOperation.php ( 7.01 KB )
/yingpanguazai/ssd/ssd1/www/h.sjds.net/vendor/topthink/think-orm/src/db/concern/WhereQuery.php ( 19.37 KB )
/yingpanguazai/ssd/ssd1/www/h.sjds.net/vendor/topthink/think-orm/src/db/concern/JoinAndViewQuery.php ( 7.11 KB )
/yingpanguazai/ssd/ssd1/www/h.sjds.net/vendor/topthink/think-orm/src/db/concern/TableFieldInfo.php ( 2.63 KB )
/yingpanguazai/ssd/ssd1/www/h.sjds.net/vendor/topthink/think-orm/src/db/concern/Transaction.php ( 2.77 KB )
/yingpanguazai/ssd/ssd1/www/h.sjds.net/vendor/topthink/framework/src/think/log/driver/File.php ( 5.96 KB )
/yingpanguazai/ssd/ssd1/www/h.sjds.net/vendor/topthink/framework/src/think/contract/LogHandlerInterface.php ( 0.86 KB )
/yingpanguazai/ssd/ssd1/www/h.sjds.net/vendor/topthink/framework/src/think/log/Channel.php ( 3.89 KB )
/yingpanguazai/ssd/ssd1/www/h.sjds.net/vendor/topthink/framework/src/think/event/LogRecord.php ( 1.02 KB )
/yingpanguazai/ssd/ssd1/www/h.sjds.net/vendor/topthink/think-helper/src/Collection.php ( 16.47 KB )
/yingpanguazai/ssd/ssd1/www/h.sjds.net/vendor/topthink/framework/src/think/facade/View.php ( 1.70 KB )
/yingpanguazai/ssd/ssd1/www/h.sjds.net/vendor/topthink/framework/src/think/View.php ( 4.39 KB )
/yingpanguazai/ssd/ssd1/www/h.sjds.net/vendor/topthink/framework/src/think/Response.php ( 8.81 KB )
/yingpanguazai/ssd/ssd1/www/h.sjds.net/vendor/topthink/framework/src/think/response/View.php ( 3.29 KB )
/yingpanguazai/ssd/ssd1/www/h.sjds.net/vendor/topthink/framework/src/think/Cookie.php ( 6.06 KB )
/yingpanguazai/ssd/ssd1/www/h.sjds.net/vendor/topthink/think-view/src/Think.php ( 8.38 KB )
/yingpanguazai/ssd/ssd1/www/h.sjds.net/vendor/topthink/framework/src/think/contract/TemplateHandlerInterface.php ( 1.60 KB )
/yingpanguazai/ssd/ssd1/www/h.sjds.net/vendor/topthink/think-template/src/Template.php ( 46.61 KB )
/yingpanguazai/ssd/ssd1/www/h.sjds.net/vendor/topthink/think-template/src/template/driver/File.php ( 2.41 KB )
/yingpanguazai/ssd/ssd1/www/h.sjds.net/vendor/topthink/think-template/src/template/contract/DriverInterface.php ( 0.86 KB )
/yingpanguazai/ssd/ssd1/www/h.sjds.net/runtime/temp/ad153693ed39fba6d1bda2fe72512cde.php ( 12.06 KB )
/yingpanguazai/ssd/ssd1/www/h.sjds.net/vendor/topthink/think-trace/src/Html.php ( 4.42 KB )
CONNECT:[ UseTime:0.000386s ] mysql:host=127.0.0.1;port=3306;dbname=h_sjds;charset=utf8mb4
SHOW FULL COLUMNS FROM `fenlei` [ RunTime:0.000600s ]
SELECT * FROM `fenlei` WHERE `fid` = 0 [ RunTime:0.000305s ]
SELECT * FROM `fenlei` WHERE `fid` = 63 [ RunTime:0.000439s ]
SHOW FULL COLUMNS FROM `set` [ RunTime:0.000589s ]
SELECT * FROM `set` [ RunTime:0.000247s ]
SHOW FULL COLUMNS FROM `article` [ RunTime:0.000623s ]
SELECT * FROM `article` WHERE `id` = 496631 LIMIT 1 [ RunTime:0.000616s ]
UPDATE `article` SET `lasttime` = 1775577487 WHERE `id` = 496631 [ RunTime:0.016916s ]
SELECT * FROM `fenlei` WHERE `id` = 64 LIMIT 1 [ RunTime:0.018566s ]
SELECT * FROM `article` WHERE `id` < 496631 ORDER BY `id` DESC LIMIT 1 [ RunTime:0.000605s ]
SELECT * FROM `article` WHERE `id` > 496631 ORDER BY `id` ASC LIMIT 1 [ RunTime:0.005253s ]
SELECT * FROM `article` WHERE `id` < 496631 ORDER BY `id` DESC LIMIT 10 [ RunTime:0.004731s ]
SELECT * FROM `article` WHERE `id` < 496631 ORDER BY `id` DESC LIMIT 10,10 [ RunTime:0.017635s ]
SELECT * FROM `article` WHERE `id` < 496631 ORDER BY `id` DESC LIMIT 20,10 [ RunTime:0.008579s ]
0.152285s