
上海炫风实业集团有限公司(炫风节能)是一家专注于节能环保设备研发、制造、销售的公司,致力于为社会提供高效、环保的节能设备。
公司成立于2013年,主要经营压力容器、超导热管、余热锅炉、余热回收设备、工业窑炉节能设备、空压机节能设备的研发、制造;锅炉安装及销售;工业节能改造工程、水暖电安装建设工程、环保建设工程的施工;从事节能环保技术领域内的技术开发、技术服务;合同能源管理等。
炫风节能拥有一批专业的管理和技术人才,不断进行技术革新,完善服务质量,研发产品应用于多个领域,给客户创造了较大的经济效益,为社会节约了大量的能源,保护了环境。

































































如果喜欢我的分享,欢迎持续关注留言、转发、点赞,不想错过每篇文章,设置一下☆标呀,我会继续更新更多有价值的内容。
欢迎留言区讨论哦,谢谢耐心阅读。祝身体健康,家庭幸福!
承接
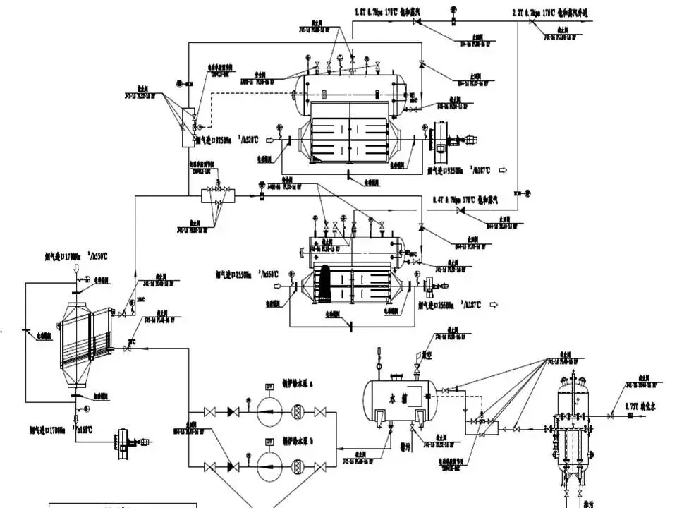
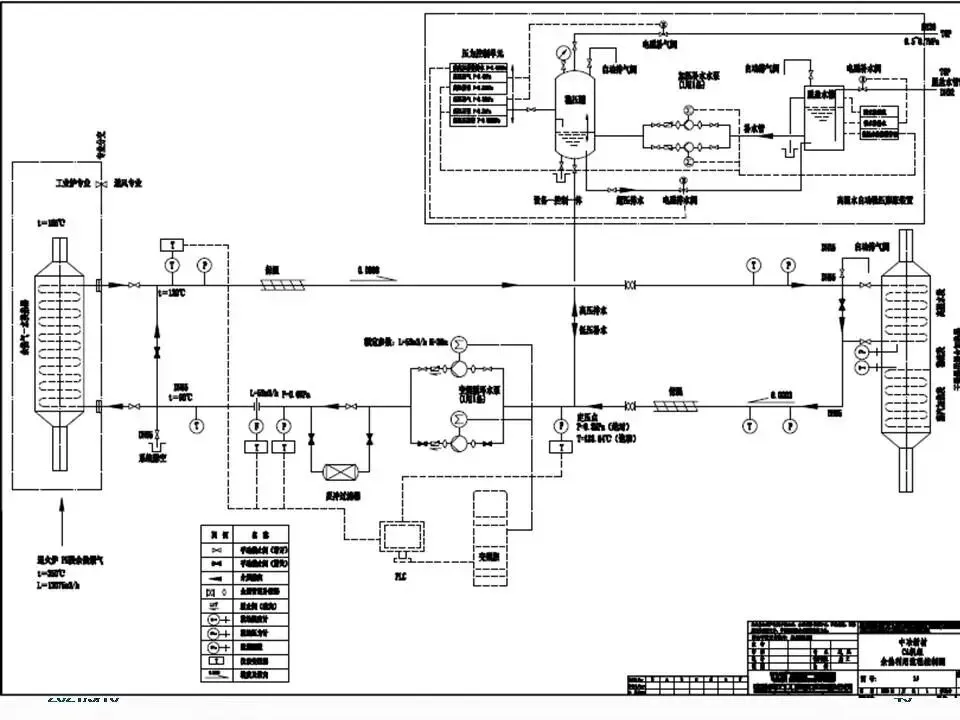
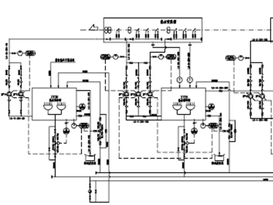
余热利用及余热发电业务
电话:13321898722
扫码加微信



