文档资源
PPT
Excel
Word
当前位置:
首页
>
PPT
>【i资料】超全的川崎挖掘机培训PPT-免费领取(本月有效)
【i资料】超全的川崎挖掘机培训PPT-免费领取(本月有效)
2026-03-30 13:23:02
【i资料】超全的川崎挖掘机培训PPT-免费领取(本月有效)
30年维修与培训深耕,20+年技术支持讲师开发
专为入门、维修调试、故障排查等从业者量身打造
<文末查看获取川崎培训PPT方式>
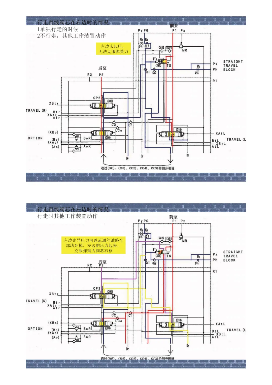
以上是培训PTT的一半,因内容较多不能完整上传,需要完成版本的,可以通过以下方式免费领取!
⬇️
⬇️
⬇️
【1】关注海猫商城抖音号 【2】发私信(川崎挖掘机PPT)免费领
海猫商城 抖音号
本文来自网友投稿或网络内容,如有侵犯您的权益请联系我们删除,联系邮箱:wyl860211@qq.com 。
扣背排痰护理和相关知识PPT:守护呼吸健康
脑卒中合并心房颤动的抗凝治疗PPT
最新文章
扣背排痰护理和相关知识PPT:守护呼吸健康
中医健康宣教PPT模板(共21页)
发现一个 PPT 神器!免费在线 PPT 制作系统,一键生成 PPT,支持在线预览与导出
月度物流 SOP 及 Excel 模板:从分析到落地
高中物理选择性必修第1册(沪科版)PPT课件+学案+习题,可下载编辑!
PPT+视频:智慧教育的理论与实践
(电子版PPT)感觉统合与感觉统合失调
宝藏女孩成长手册|精品PPT
【PPT】创伤救护技能知识培训
老板突然要PPT?3分钟出稿的AI工作流,手把手教完
热门文章
PPT科研绘图教程-综述图9
气相色谱法(PPT/50页)
内部PPT疑似泄露!OPPOFindN6核心配置曝光,2亿主摄搭配6000mAh电池
2026春季学期主题班会课ppt安排表(19周)
怎么使用AI做PPT
怎么使用AI做PPT
快闪ppt抖音教程
怎么用自己的模板ai生成ppt
PPT科研绘图教程-综述图7
excel等额本息计算方法
随机文章
10个月宝宝每天需要喝多少奶粉?
企业培训|职场怼人话术(附赠PPT)
小学生命与安全三年级上册 教案+课件PPT(湘教版),可下载打印!
高中物理必修第三册(沪科版)PPT课件+学案+讲义,可下载编辑!
如何将哔哩哔哩的视频导入PPT?
速收藏!167页PPT关于金属的腐蚀形态
速收藏!167页PPT关于金属的腐蚀形态
2026年春季中小学开学第一课ppt—智能翩跹蕴国风,骐骥驰骋赴山海(可下载)
2026幼儿园中班春季开学家长会PPT(31页)+方案
癌症患者疼痛的护理PPT(文末有领取方式哦)
开学第一课 把“假期坏习惯”扔进垃圾桶ppt3【幼师资料下载】
基本
文件
流程
错误
SQL
调试
请求信息 : 2026-04-10 00:07:54 HTTP/2.0 GET : https://h.sjds.net/a/482791.html
运行时间 : 0.235651s [ 吞吐率:4.24req/s ] 内存消耗:4,411.79kb 文件加载:140
缓存信息 : 0 reads,0 writes
会话信息 : SESSION_ID=edd0bd8506cedca22c60f01c7e3ff805
/yingpanguazai/ssd/ssd1/www/h.sjds.net/public/index.php ( 0.79 KB )
/yingpanguazai/ssd/ssd1/www/h.sjds.net/vendor/autoload.php ( 0.17 KB )
/yingpanguazai/ssd/ssd1/www/h.sjds.net/vendor/composer/autoload_real.php ( 2.49 KB )
/yingpanguazai/ssd/ssd1/www/h.sjds.net/vendor/composer/platform_check.php ( 0.90 KB )
/yingpanguazai/ssd/ssd1/www/h.sjds.net/vendor/composer/ClassLoader.php ( 14.03 KB )
/yingpanguazai/ssd/ssd1/www/h.sjds.net/vendor/composer/autoload_static.php ( 4.90 KB )
/yingpanguazai/ssd/ssd1/www/h.sjds.net/vendor/topthink/think-helper/src/helper.php ( 8.34 KB )
/yingpanguazai/ssd/ssd1/www/h.sjds.net/vendor/topthink/think-validate/src/helper.php ( 2.19 KB )
/yingpanguazai/ssd/ssd1/www/h.sjds.net/vendor/topthink/think-orm/src/helper.php ( 1.47 KB )
/yingpanguazai/ssd/ssd1/www/h.sjds.net/vendor/topthink/think-orm/stubs/load_stubs.php ( 0.16 KB )
/yingpanguazai/ssd/ssd1/www/h.sjds.net/vendor/topthink/framework/src/think/Exception.php ( 1.69 KB )
/yingpanguazai/ssd/ssd1/www/h.sjds.net/vendor/topthink/think-container/src/Facade.php ( 2.71 KB )
/yingpanguazai/ssd/ssd1/www/h.sjds.net/vendor/symfony/deprecation-contracts/function.php ( 0.99 KB )
/yingpanguazai/ssd/ssd1/www/h.sjds.net/vendor/symfony/polyfill-mbstring/bootstrap.php ( 8.26 KB )
/yingpanguazai/ssd/ssd1/www/h.sjds.net/vendor/symfony/polyfill-mbstring/bootstrap80.php ( 9.78 KB )
/yingpanguazai/ssd/ssd1/www/h.sjds.net/vendor/symfony/var-dumper/Resources/functions/dump.php ( 1.49 KB )
/yingpanguazai/ssd/ssd1/www/h.sjds.net/vendor/topthink/think-dumper/src/helper.php ( 0.18 KB )
/yingpanguazai/ssd/ssd1/www/h.sjds.net/vendor/symfony/var-dumper/VarDumper.php ( 4.30 KB )
/yingpanguazai/ssd/ssd1/www/h.sjds.net/vendor/topthink/framework/src/think/App.php ( 15.30 KB )
/yingpanguazai/ssd/ssd1/www/h.sjds.net/vendor/topthink/think-container/src/Container.php ( 15.76 KB )
/yingpanguazai/ssd/ssd1/www/h.sjds.net/vendor/psr/container/src/ContainerInterface.php ( 1.02 KB )
/yingpanguazai/ssd/ssd1/www/h.sjds.net/app/provider.php ( 0.19 KB )
/yingpanguazai/ssd/ssd1/www/h.sjds.net/vendor/topthink/framework/src/think/Http.php ( 6.04 KB )
/yingpanguazai/ssd/ssd1/www/h.sjds.net/vendor/topthink/think-helper/src/helper/Str.php ( 7.29 KB )
/yingpanguazai/ssd/ssd1/www/h.sjds.net/vendor/topthink/framework/src/think/Env.php ( 4.68 KB )
/yingpanguazai/ssd/ssd1/www/h.sjds.net/app/common.php ( 0.03 KB )
/yingpanguazai/ssd/ssd1/www/h.sjds.net/vendor/topthink/framework/src/helper.php ( 18.78 KB )
/yingpanguazai/ssd/ssd1/www/h.sjds.net/vendor/topthink/framework/src/think/Config.php ( 5.54 KB )
/yingpanguazai/ssd/ssd1/www/h.sjds.net/config/app.php ( 0.95 KB )
/yingpanguazai/ssd/ssd1/www/h.sjds.net/config/cache.php ( 0.78 KB )
/yingpanguazai/ssd/ssd1/www/h.sjds.net/config/console.php ( 0.23 KB )
/yingpanguazai/ssd/ssd1/www/h.sjds.net/config/cookie.php ( 0.56 KB )
/yingpanguazai/ssd/ssd1/www/h.sjds.net/config/database.php ( 2.48 KB )
/yingpanguazai/ssd/ssd1/www/h.sjds.net/vendor/topthink/framework/src/think/facade/Env.php ( 1.67 KB )
/yingpanguazai/ssd/ssd1/www/h.sjds.net/config/filesystem.php ( 0.61 KB )
/yingpanguazai/ssd/ssd1/www/h.sjds.net/config/lang.php ( 0.91 KB )
/yingpanguazai/ssd/ssd1/www/h.sjds.net/config/log.php ( 1.35 KB )
/yingpanguazai/ssd/ssd1/www/h.sjds.net/config/middleware.php ( 0.19 KB )
/yingpanguazai/ssd/ssd1/www/h.sjds.net/config/route.php ( 1.89 KB )
/yingpanguazai/ssd/ssd1/www/h.sjds.net/config/session.php ( 0.57 KB )
/yingpanguazai/ssd/ssd1/www/h.sjds.net/config/trace.php ( 0.34 KB )
/yingpanguazai/ssd/ssd1/www/h.sjds.net/config/view.php ( 0.82 KB )
/yingpanguazai/ssd/ssd1/www/h.sjds.net/app/event.php ( 0.25 KB )
/yingpanguazai/ssd/ssd1/www/h.sjds.net/vendor/topthink/framework/src/think/Event.php ( 7.67 KB )
/yingpanguazai/ssd/ssd1/www/h.sjds.net/app/service.php ( 0.13 KB )
/yingpanguazai/ssd/ssd1/www/h.sjds.net/app/AppService.php ( 0.26 KB )
/yingpanguazai/ssd/ssd1/www/h.sjds.net/vendor/topthink/framework/src/think/Service.php ( 1.64 KB )
/yingpanguazai/ssd/ssd1/www/h.sjds.net/vendor/topthink/framework/src/think/Lang.php ( 7.35 KB )
/yingpanguazai/ssd/ssd1/www/h.sjds.net/vendor/topthink/framework/src/lang/zh-cn.php ( 13.70 KB )
/yingpanguazai/ssd/ssd1/www/h.sjds.net/vendor/topthink/framework/src/think/initializer/Error.php ( 3.31 KB )
/yingpanguazai/ssd/ssd1/www/h.sjds.net/vendor/topthink/framework/src/think/initializer/RegisterService.php ( 1.33 KB )
/yingpanguazai/ssd/ssd1/www/h.sjds.net/vendor/services.php ( 0.14 KB )
/yingpanguazai/ssd/ssd1/www/h.sjds.net/vendor/topthink/framework/src/think/service/PaginatorService.php ( 1.52 KB )
/yingpanguazai/ssd/ssd1/www/h.sjds.net/vendor/topthink/framework/src/think/service/ValidateService.php ( 0.99 KB )
/yingpanguazai/ssd/ssd1/www/h.sjds.net/vendor/topthink/framework/src/think/service/ModelService.php ( 2.04 KB )
/yingpanguazai/ssd/ssd1/www/h.sjds.net/vendor/topthink/think-trace/src/Service.php ( 0.77 KB )
/yingpanguazai/ssd/ssd1/www/h.sjds.net/vendor/topthink/framework/src/think/Middleware.php ( 6.72 KB )
/yingpanguazai/ssd/ssd1/www/h.sjds.net/vendor/topthink/framework/src/think/initializer/BootService.php ( 0.77 KB )
/yingpanguazai/ssd/ssd1/www/h.sjds.net/vendor/topthink/think-orm/src/Paginator.php ( 11.86 KB )
/yingpanguazai/ssd/ssd1/www/h.sjds.net/vendor/topthink/think-validate/src/Validate.php ( 63.20 KB )
/yingpanguazai/ssd/ssd1/www/h.sjds.net/vendor/topthink/think-orm/src/Model.php ( 23.55 KB )
/yingpanguazai/ssd/ssd1/www/h.sjds.net/vendor/topthink/think-orm/src/model/concern/Attribute.php ( 21.05 KB )
/yingpanguazai/ssd/ssd1/www/h.sjds.net/vendor/topthink/think-orm/src/model/concern/AutoWriteData.php ( 4.21 KB )
/yingpanguazai/ssd/ssd1/www/h.sjds.net/vendor/topthink/think-orm/src/model/concern/Conversion.php ( 6.44 KB )
/yingpanguazai/ssd/ssd1/www/h.sjds.net/vendor/topthink/think-orm/src/model/concern/DbConnect.php ( 5.16 KB )
/yingpanguazai/ssd/ssd1/www/h.sjds.net/vendor/topthink/think-orm/src/model/concern/ModelEvent.php ( 2.33 KB )
/yingpanguazai/ssd/ssd1/www/h.sjds.net/vendor/topthink/think-orm/src/model/concern/RelationShip.php ( 28.29 KB )
/yingpanguazai/ssd/ssd1/www/h.sjds.net/vendor/topthink/think-helper/src/contract/Arrayable.php ( 0.09 KB )
/yingpanguazai/ssd/ssd1/www/h.sjds.net/vendor/topthink/think-helper/src/contract/Jsonable.php ( 0.13 KB )
/yingpanguazai/ssd/ssd1/www/h.sjds.net/vendor/topthink/think-orm/src/model/contract/Modelable.php ( 0.09 KB )
/yingpanguazai/ssd/ssd1/www/h.sjds.net/vendor/topthink/framework/src/think/Db.php ( 2.88 KB )
/yingpanguazai/ssd/ssd1/www/h.sjds.net/vendor/topthink/think-orm/src/DbManager.php ( 8.52 KB )
/yingpanguazai/ssd/ssd1/www/h.sjds.net/vendor/topthink/framework/src/think/Log.php ( 6.28 KB )
/yingpanguazai/ssd/ssd1/www/h.sjds.net/vendor/topthink/framework/src/think/Manager.php ( 3.92 KB )
/yingpanguazai/ssd/ssd1/www/h.sjds.net/vendor/psr/log/src/LoggerTrait.php ( 2.69 KB )
/yingpanguazai/ssd/ssd1/www/h.sjds.net/vendor/psr/log/src/LoggerInterface.php ( 2.71 KB )
/yingpanguazai/ssd/ssd1/www/h.sjds.net/vendor/topthink/framework/src/think/Cache.php ( 4.92 KB )
/yingpanguazai/ssd/ssd1/www/h.sjds.net/vendor/psr/simple-cache/src/CacheInterface.php ( 4.71 KB )
/yingpanguazai/ssd/ssd1/www/h.sjds.net/vendor/topthink/think-helper/src/helper/Arr.php ( 16.63 KB )
/yingpanguazai/ssd/ssd1/www/h.sjds.net/vendor/topthink/framework/src/think/cache/driver/File.php ( 7.84 KB )
/yingpanguazai/ssd/ssd1/www/h.sjds.net/vendor/topthink/framework/src/think/cache/Driver.php ( 9.03 KB )
/yingpanguazai/ssd/ssd1/www/h.sjds.net/vendor/topthink/framework/src/think/contract/CacheHandlerInterface.php ( 1.99 KB )
/yingpanguazai/ssd/ssd1/www/h.sjds.net/app/Request.php ( 0.09 KB )
/yingpanguazai/ssd/ssd1/www/h.sjds.net/vendor/topthink/framework/src/think/Request.php ( 55.78 KB )
/yingpanguazai/ssd/ssd1/www/h.sjds.net/app/middleware.php ( 0.25 KB )
/yingpanguazai/ssd/ssd1/www/h.sjds.net/vendor/topthink/framework/src/think/Pipeline.php ( 2.61 KB )
/yingpanguazai/ssd/ssd1/www/h.sjds.net/vendor/topthink/think-trace/src/TraceDebug.php ( 3.40 KB )
/yingpanguazai/ssd/ssd1/www/h.sjds.net/vendor/topthink/framework/src/think/middleware/SessionInit.php ( 1.94 KB )
/yingpanguazai/ssd/ssd1/www/h.sjds.net/vendor/topthink/framework/src/think/Session.php ( 1.80 KB )
/yingpanguazai/ssd/ssd1/www/h.sjds.net/vendor/topthink/framework/src/think/session/driver/File.php ( 6.27 KB )
/yingpanguazai/ssd/ssd1/www/h.sjds.net/vendor/topthink/framework/src/think/contract/SessionHandlerInterface.php ( 0.87 KB )
/yingpanguazai/ssd/ssd1/www/h.sjds.net/vendor/topthink/framework/src/think/session/Store.php ( 7.12 KB )
/yingpanguazai/ssd/ssd1/www/h.sjds.net/vendor/topthink/framework/src/think/Route.php ( 23.73 KB )
/yingpanguazai/ssd/ssd1/www/h.sjds.net/vendor/topthink/framework/src/think/route/RuleName.php ( 5.75 KB )
/yingpanguazai/ssd/ssd1/www/h.sjds.net/vendor/topthink/framework/src/think/route/Domain.php ( 2.53 KB )
/yingpanguazai/ssd/ssd1/www/h.sjds.net/vendor/topthink/framework/src/think/route/RuleGroup.php ( 22.43 KB )
/yingpanguazai/ssd/ssd1/www/h.sjds.net/vendor/topthink/framework/src/think/route/Rule.php ( 26.95 KB )
/yingpanguazai/ssd/ssd1/www/h.sjds.net/vendor/topthink/framework/src/think/route/RuleItem.php ( 9.78 KB )
/yingpanguazai/ssd/ssd1/www/h.sjds.net/route/app.php ( 1.72 KB )
/yingpanguazai/ssd/ssd1/www/h.sjds.net/vendor/topthink/framework/src/think/facade/Route.php ( 4.70 KB )
/yingpanguazai/ssd/ssd1/www/h.sjds.net/vendor/topthink/framework/src/think/route/dispatch/Controller.php ( 4.74 KB )
/yingpanguazai/ssd/ssd1/www/h.sjds.net/vendor/topthink/framework/src/think/route/Dispatch.php ( 10.44 KB )
/yingpanguazai/ssd/ssd1/www/h.sjds.net/app/controller/Index.php ( 4.81 KB )
/yingpanguazai/ssd/ssd1/www/h.sjds.net/app/BaseController.php ( 2.05 KB )
/yingpanguazai/ssd/ssd1/www/h.sjds.net/vendor/topthink/think-orm/src/facade/Db.php ( 0.93 KB )
/yingpanguazai/ssd/ssd1/www/h.sjds.net/vendor/topthink/think-orm/src/db/connector/Mysql.php ( 5.44 KB )
/yingpanguazai/ssd/ssd1/www/h.sjds.net/vendor/topthink/think-orm/src/db/PDOConnection.php ( 52.47 KB )
/yingpanguazai/ssd/ssd1/www/h.sjds.net/vendor/topthink/think-orm/src/db/Connection.php ( 8.39 KB )
/yingpanguazai/ssd/ssd1/www/h.sjds.net/vendor/topthink/think-orm/src/db/ConnectionInterface.php ( 4.57 KB )
/yingpanguazai/ssd/ssd1/www/h.sjds.net/vendor/topthink/think-orm/src/db/builder/Mysql.php ( 16.58 KB )
/yingpanguazai/ssd/ssd1/www/h.sjds.net/vendor/topthink/think-orm/src/db/Builder.php ( 24.06 KB )
/yingpanguazai/ssd/ssd1/www/h.sjds.net/vendor/topthink/think-orm/src/db/BaseBuilder.php ( 27.50 KB )
/yingpanguazai/ssd/ssd1/www/h.sjds.net/vendor/topthink/think-orm/src/db/Query.php ( 15.71 KB )
/yingpanguazai/ssd/ssd1/www/h.sjds.net/vendor/topthink/think-orm/src/db/BaseQuery.php ( 45.13 KB )
/yingpanguazai/ssd/ssd1/www/h.sjds.net/vendor/topthink/think-orm/src/db/concern/TimeFieldQuery.php ( 7.43 KB )
/yingpanguazai/ssd/ssd1/www/h.sjds.net/vendor/topthink/think-orm/src/db/concern/AggregateQuery.php ( 3.26 KB )
/yingpanguazai/ssd/ssd1/www/h.sjds.net/vendor/topthink/think-orm/src/db/concern/ModelRelationQuery.php ( 20.07 KB )
/yingpanguazai/ssd/ssd1/www/h.sjds.net/vendor/topthink/think-orm/src/db/concern/ParamsBind.php ( 3.66 KB )
/yingpanguazai/ssd/ssd1/www/h.sjds.net/vendor/topthink/think-orm/src/db/concern/ResultOperation.php ( 7.01 KB )
/yingpanguazai/ssd/ssd1/www/h.sjds.net/vendor/topthink/think-orm/src/db/concern/WhereQuery.php ( 19.37 KB )
/yingpanguazai/ssd/ssd1/www/h.sjds.net/vendor/topthink/think-orm/src/db/concern/JoinAndViewQuery.php ( 7.11 KB )
/yingpanguazai/ssd/ssd1/www/h.sjds.net/vendor/topthink/think-orm/src/db/concern/TableFieldInfo.php ( 2.63 KB )
/yingpanguazai/ssd/ssd1/www/h.sjds.net/vendor/topthink/think-orm/src/db/concern/Transaction.php ( 2.77 KB )
/yingpanguazai/ssd/ssd1/www/h.sjds.net/vendor/topthink/framework/src/think/log/driver/File.php ( 5.96 KB )
/yingpanguazai/ssd/ssd1/www/h.sjds.net/vendor/topthink/framework/src/think/contract/LogHandlerInterface.php ( 0.86 KB )
/yingpanguazai/ssd/ssd1/www/h.sjds.net/vendor/topthink/framework/src/think/log/Channel.php ( 3.89 KB )
/yingpanguazai/ssd/ssd1/www/h.sjds.net/vendor/topthink/framework/src/think/event/LogRecord.php ( 1.02 KB )
/yingpanguazai/ssd/ssd1/www/h.sjds.net/vendor/topthink/think-helper/src/Collection.php ( 16.47 KB )
/yingpanguazai/ssd/ssd1/www/h.sjds.net/vendor/topthink/framework/src/think/facade/View.php ( 1.70 KB )
/yingpanguazai/ssd/ssd1/www/h.sjds.net/vendor/topthink/framework/src/think/View.php ( 4.39 KB )
/yingpanguazai/ssd/ssd1/www/h.sjds.net/vendor/topthink/framework/src/think/Response.php ( 8.81 KB )
/yingpanguazai/ssd/ssd1/www/h.sjds.net/vendor/topthink/framework/src/think/response/View.php ( 3.29 KB )
/yingpanguazai/ssd/ssd1/www/h.sjds.net/vendor/topthink/framework/src/think/Cookie.php ( 6.06 KB )
/yingpanguazai/ssd/ssd1/www/h.sjds.net/vendor/topthink/think-view/src/Think.php ( 8.38 KB )
/yingpanguazai/ssd/ssd1/www/h.sjds.net/vendor/topthink/framework/src/think/contract/TemplateHandlerInterface.php ( 1.60 KB )
/yingpanguazai/ssd/ssd1/www/h.sjds.net/vendor/topthink/think-template/src/Template.php ( 46.61 KB )
/yingpanguazai/ssd/ssd1/www/h.sjds.net/vendor/topthink/think-template/src/template/driver/File.php ( 2.41 KB )
/yingpanguazai/ssd/ssd1/www/h.sjds.net/vendor/topthink/think-template/src/template/contract/DriverInterface.php ( 0.86 KB )
/yingpanguazai/ssd/ssd1/www/h.sjds.net/runtime/temp/ad153693ed39fba6d1bda2fe72512cde.php ( 12.06 KB )
/yingpanguazai/ssd/ssd1/www/h.sjds.net/vendor/topthink/think-trace/src/Html.php ( 4.42 KB )
CONNECT:[ UseTime:0.000389s ] mysql:host=127.0.0.1;port=3306;dbname=h_sjds;charset=utf8mb4
SHOW FULL COLUMNS FROM `fenlei` [ RunTime:0.000485s ]
SELECT * FROM `fenlei` WHERE `fid` = 0 [ RunTime:0.000235s ]
SELECT * FROM `fenlei` WHERE `fid` = 63 [ RunTime:0.002963s ]
SHOW FULL COLUMNS FROM `set` [ RunTime:0.000481s ]
SELECT * FROM `set` [ RunTime:0.000207s ]
SHOW FULL COLUMNS FROM `article` [ RunTime:0.000569s ]
SELECT * FROM `article` WHERE `id` = 482791 LIMIT 1 [ RunTime:0.005866s ]
UPDATE `article` SET `lasttime` = 1775750874 WHERE `id` = 482791 [ RunTime:0.000607s ]
SELECT * FROM `fenlei` WHERE `id` = 64 LIMIT 1 [ RunTime:0.000244s ]
SELECT * FROM `article` WHERE `id` < 482791 ORDER BY `id` DESC LIMIT 1 [ RunTime:0.001094s ]
SELECT * FROM `article` WHERE `id` > 482791 ORDER BY `id` ASC LIMIT 1 [ RunTime:0.008392s ]
SELECT * FROM `article` WHERE `id` < 482791 ORDER BY `id` DESC LIMIT 10 [ RunTime:0.051653s ]
SELECT * FROM `article` WHERE `id` < 482791 ORDER BY `id` DESC LIMIT 10,10 [ RunTime:0.076029s ]
SELECT * FROM `article` WHERE `id` < 482791 ORDER BY `id` DESC LIMIT 20,10 [ RunTime:0.018293s ]
0.237218s